Anmelden     Mein Konto       Ihr Warenkorb ist leer     BOX_SKYPE_TITLE

Währungen:
     English French German


X
Hallo, willkommen in unserem Shop. FernKontrolle bietet Ihnen die hochwertigen Fernbedienungsgeräte. Wir empfehlen Ihnen, unsere Fragen und Antworten zu lesen, bevor Sie Ihre Entscheidung treffen. Wenn Sie weitere Fragen haben, nehmen Sie bitte Kontakt mit uns auf. Wir werden Ihnen so bald wie möglich antworten.

SKYPE
E-mail


Startseite >>  380VAC FunkSchalter >>  380V Motor-Fernbedienung >>  2 Kanal-500M AC380V 3 Phase Funkschalter Getriebmotor anschließen Pumpensteuerung Funkschalter Dreiphasenstrom Transform

2 Kanal-500M AC380V 3 Phase Funkschalter Getriebmotor anschließen Pumpensteuerung Funkschalter Dreiphasenstrom Transform


Preis: €51.00

  • Artikelnummer: 0020080 (S2PU-AC380 & CP-3L)

Bitte wählen Sie:









Menge:   



Anwendung:
Dieser Empfänger ist ein elektrisches Gerät mit 2 trockenem Relaisausgang, es und der Sender bilden ein Empfänger Sender System. Dieses System kann in allen Arten von Industrie automation, Landwirtschaft, Haus, Fabrik, Haus, Bauernhof, Fahrzeug, Schiff, Offshore-Betrieb, Luftfahrzeug usw. Es kann verschiedene DC oder AC Geräte an Land, zu Wasser und in der Luft fernsteuern, wie Lichter, Sirenen, Schlösser, Motoren, Ventilatoren, Winden, Jalousien, Linearantriebe, Türen, Fenster, Elektromagnetventile, Sicherheitsalarm und Geschäftsschilder. Die Anwendungen sind endlos.

Merkmal:
Drahtlose Steuerung, einfach zu installieren.
Universalnetzteil: AC 100~450V, unterstützung AC 110V, AC 120V, AC 220V, AC 240V, AC 380V.
Relaisausgang: Dieser Empfänger ist der trockene Relaisausgang, es können zur Steuerung DC und AC Geräte verwendet werden. Die Ausgangsklemmen sind NO / NC (normalerweise geöffnet / normalerweise geschlossen) und dienen als Schalter. Es bedeutet, dass Sie auch eine separate Stromversorgung an Geräte anschließen sollen.
Hohe Leistung: Jeder Kanal kann bei maximalem Strom 30A arbeiten.
Mit drei manuellen Tasten: Sie können das Gerät über die manuellen Tasten steuern.
Mit Verdrahtete Steuerklemmen: Sie können manuelle Schalter anschließen, um der Geräte zu steuern.
Mit Grenzwert Steuerklemmen: Sie können Sensoren, Endschalter oder externe Geräte anschließen, um die Anlage zu stoppen.
Mit 2 Pins zum Umschalten des Typs des normalerweise offenen oder normalerweise geschlossenen Endschalters.
Mit einem DIP-Schalter zum Umschalten der Arbeitsmodi, der vier Betriebsmodi bietet.
Mit Führungsschienenschnalle und Schraubenlöchern: Die Rückseite des Empfängers ist mit einer Führungsschienenschnalle und Schraubenlöchern ausgestattet, sodass er auf einer 35mm Führungsschiene montiert oder direkt mit Schrauben befestigt werden kann.
Mit externer Antenne, der Empfänger hat einen größeren Arbeitsbereich.
Der Sender / die Fernbedienung kann den Empfänger steuern von jedem Orten innerhalb einer zuverlässigen Entfernung.
Das Funksignal des Senders kann durch Wände, Böden, Türen oder Fenster, aber es wird einige Betriebsreichweite verlieren.
Der Empfänger hat den eingebauten Schutz vor Gegenstrom und übermäßigem Strom.
Der Empfänger arbeitet nur mit dem ausgewählten Sender, der mit dem Empfänger gekoppelt ist.
Es können zwei oder mehr Empfänger verwendet werden in der gleichen Gegend.

Parameter des Empfänger:
Modell: S2PU-AC380-ANT3
Betriebsspannung: AC 100V~450V (110V/120V/220V/240V/380V)
Arbeitsfrequenz: 433MHz
Kanal: 2 CH
Statische Strom: <30mA
Ausgangsart: Trockene Relaisausgang (normalerweise geöffnet und normalerweise geschlossen)
Maximaler Laststrom des Relais: 30A / Kanal
Drahtbereich für die Terminals: 22-14 AWG
4 Wählbare Modi: Selbstsichernd, Momentan, Verriegelung, Momentan + Selbstsichernd
Sensitivität des Empfängers: ≥-113dBm
Betriebstemperatur: -25°C bis +80°C
Maße der PCB: 92 x 86 x 23 mm
Maße des Gehäuses: 115 x 90 x 40 mm

Parameter des Sender:
Modell: 0021126 (CP-3L)
Kanal/Knopf: 3
Tastensymbol:▲■▼
Betriebsspannung: 12V (1 x 23A -12V Batterie, kann 12 Monate benutzt werden)
Standby-Strom: 4uA
Betriebsstrom: 14mA
Betriebsfrequenz: 433Mhz
Enkodierung Chip: EV1527
Sendeentfernung: 500m (theoretisch)
Anpassung Modus: ASK
Betriebstemperatur: -20 ° C bis +70 ° C
Einheit Mass: 92 x 40 x 15 mm

Passende Fernbedienungen:
Der Empfänger kann mit verschiedenen Fernbedienung koppeln, wie C-2L / C-3-2L (100M), CP-2L / CP-3L (500M), und CB-2L usw.

Reichweite:
Dieser Empfänger und verschiedene Sender bilden einen kompletten Satz, mit dem unterschiedliche Arbeitsabstände erreicht werden können. Wenn es und der Sender CP-3L beispielsweise einen vollständigen Satz bilden, kann der maximale Arbeitsabstand in einem offenen Bereich 500 Meter erreichen.
Der maximale Arbeitsabstand basiert auf theoretischen Daten, die ohne Barrieren und ohne Störungen vorliegen würden. Aber in wirklichem Leben wird es durch Bäume, Mauern oder andere Gebäude behindert und durch andere Funksignale gestört. Daher kann es sein, dass der tatsächliche Arbeitsabstand diesen maximalen Abstand nicht erreicht.
Wenn Sie einen größeren Arbeitsbereich wünschen, können Sie die Antenne am Empfänger austauschen, einen RF-Repeater oder einen leistungsstarken Sender verwenden, zum Beispiel der Sender CB-Serie.

Verwendung:
Der Empfänger kann zur Steuerung 0~28 VDC und 100~450 VAC Geräte verwendet werden.
Beachten: Dieser Empfänger ist der trockene Relaisausgang, und kein DC/AC Leistungsausgang. Ausgangszustand der Relaisausgangsklemmen: Die Klemmen NO und COM sind normalerweise geöffnet; Die Klemmen NC und COM sind normalerweise geschlossen.

Verdrahtung:
1) Verdrahtung für DC Lampe:
Wenn Sie eine DC Lampe steuern möchten, machen wie folgende. Bitte beachten Sie das Anschlussdiagramm.
1.1 Verbinden Sie das Phasenkabel der AC Stromversorgung an Klemme L, und Verbinden Sie das Neutralleiter der AC Stromversorgung an Klemme N.
1.2 Verbinden Klemme NO an Pluspol der DC Stromversorgung, Verbinden Klemme COM an Pluspol von DC Lampe, und Verbinden den Minuspol von DC Lampe an Minuspol der DC Stromversorgung.

2) Verdrahtung für AC Lampe:
Wenn Sie eine AC Lampe steuern möchten, machen Sie wie folgende. Bitte beachten Sie das Anschlussdiagramm.
2.1 Verbinden Sie das Phasenkabel der AC Stromversorgung an Klemme L, und Verbinden Sie das Neutralleiter der AC Stromversorgung an Klemme N.
2.2 Verbinden Klemme NO an das Phasenkabel der AC Stromversorgung, Verbinden Klemme COM an eine Seite von AC Lampe, und Verbinden andere Seite von AC Lampe an Neutralleiter der AC Stromversorgung.

3) Verdrahtung für AC Motor:
Wenn Sie einen kleinen bidirektionalen AC Motor (drei Steuerleitungen) steuern möchten, machen Sie wie folgende. Bitte beachten Sie das Anschlussdiagramm.
3.1 Verbinden Sie das Phasenkabel der AC Stromversorgung an Klemme L, und Verbinden Sie das Neutralleiter der AC Stromversorgung an Klemme N.
3.2 Verbinden Sie das Phasenkabel der AC Stromversorgung mit den Klemmen NO der beiden Relais, und Verbinden Sie den Neutralleiter der AC Stromversorgung mit dem gemeinsamen Draht des AC Motors.
3.3 Verbinden Sie die Vorwärts- und Rückwärtskabel des AC Motors mit den Klemmen COM der beiden Relais. Durch Vertauschen dieser beiden Kabel können Sie die Drehrichtung des Motors ändern.

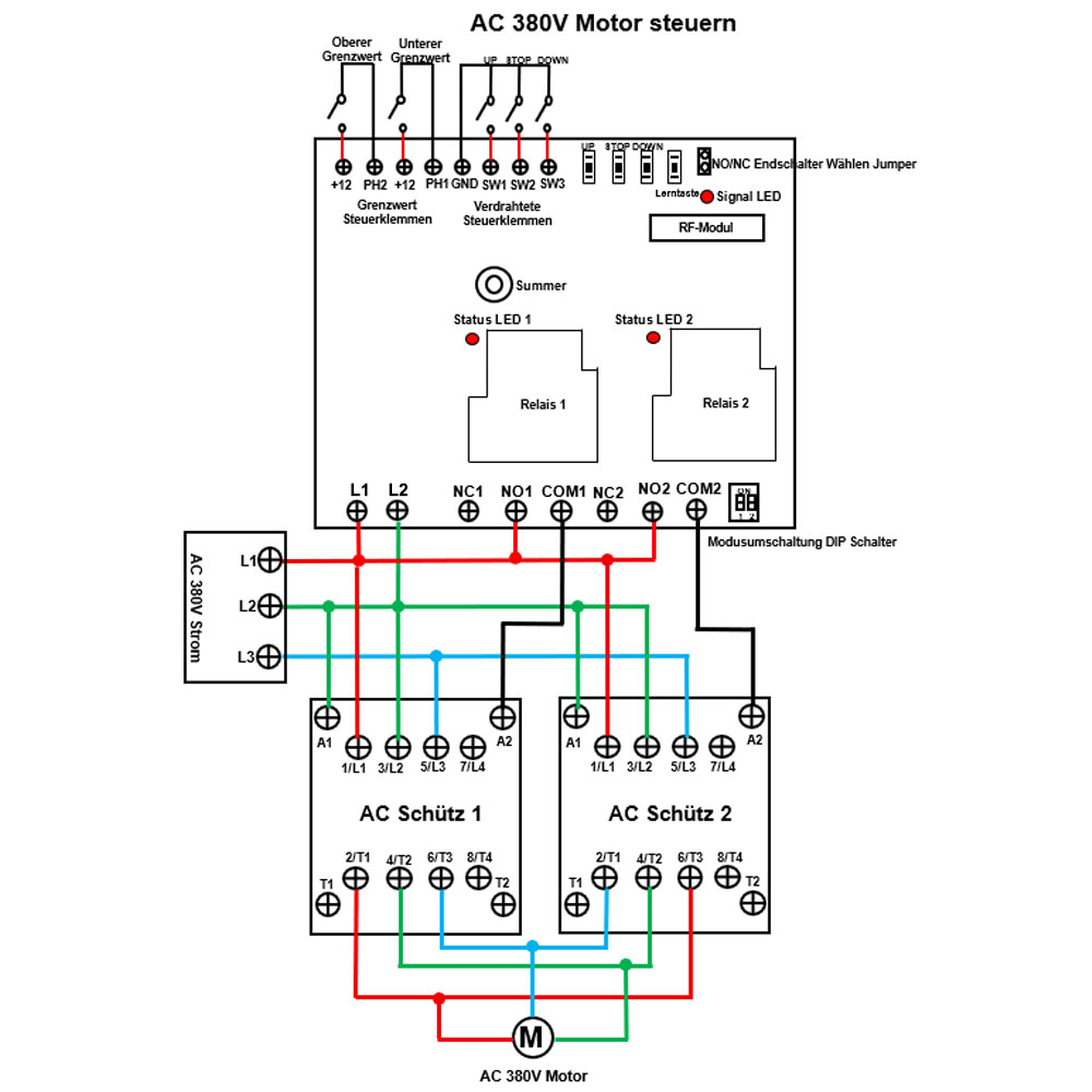
4) Verdrahtung für AC 380V Motor:
Wenn Sie einen AC 380V Motor, bitte beachten Sie das Anschlussdiagramm.

Einstellen des verschiedenen Kontrolle Modis:
Wir haben den Empfänger als Selbstsichernd Modus eingestellt vor dem Verlassen des Werks, Wenn Sie anderen Kontrolle Modus benutzen möchten, gehen Sie wie folgt:

1) Einstellung der Modus Momentan: Schalten Sie das erste Bit und das zweite Bit des DIP Schalter aus. Die Signal-LED blinkt 1 Mal und der Summer ertönt 1 Mal.
Der Betrieb des Momentan modus mit dem Sender CP-2L:
Drücken und halten Sie die Taste ▲ am Sender: Das Relais 1 wird aktiviert, zwei Klemmen NO1 und COM1 von Relais 1 werden angeschlossen, zwei Klemmen NC1 und COM1 werden getrennt.
Lassen Sie die Taste ▲ los: Das Relais 1 wird deaktiviert, zwei Klemmen NO1 und COM1 von Relais 1 werden getrennt, zwei Klemmen NC1 und COM1 werden angeschlossen.
Drücken und halten Sie die Taste ▼ am Sender: Das Relais 2 wird aktiviert, zwei Klemmen NO2 und COM2 von Relais 2 werden angeschlossen, zwei Klemmen NC2 und COM2 werden getrennt.
Lassen Sie die Taste ▼ los: Das Relais 2 wird deaktiviert, zwei Klemmen NO2 und COM2 von Relais 2 werden getrennt, zwei Klemmen NC2 und COM2 werden angeschlossen.

Der Betrieb des Momentan modus mit den manuellen Tasten am Empfänger:
Drücken und halten Sie die Taste UP am Empfänger: Relais 1 wird aktiviert.
Lassen Sie die Taste UP los: Relais 1 wird deaktiviert.
Drücken und halten Sie die Taste DOWN am Empfänger: Relais 2 wird aktiviert.
Lassen Sie die Taste DOWN los: Relais 2 wird deaktiviert.

2) Einstellung der Modus Selbstsichernd: Schalten Sie das erste Bit ein, und das zweite Bit des DIP Schalter aus. Die Signal-LED blinkt 2 Mal und der Summer ertönt 2 Mal.
Der Betrieb des Selbsthemmung modus mit dem Sender CP-2L:
Drücken Sie die Taste ▲ am Sender: Das Relais 1 wird aktiviert, zwei Klemmen NO1 und COM1 von Relais 1 werden angeschlossen, zwei Klemmen NC1 und COM1 werden getrennt.
Drücken Sie erneut die Taste ▲: Das Relais 1 wird deaktiviert, zwei Klemmen NO1 und COM1 von Relais 1 werden getrennt, zwei Klemmen NC1 und COM1 werden angeschlossen.
Drücken Sie die Taste ▼ am Sender: Das Relais 2 wird aktiviert, zwei Klemmen NO2 und COM2 von Relais 2 werden angeschlossen, zwei Klemmen NC2 und COM2 werden getrennt.
Drücken Sie erneut die Taste ▼: Das Relais 2 wird deaktiviert, zwei Klemmen NO2 und COM2 von Relais 2 werden getrennt, zwei Klemmen NC2 und COM2 werden angeschlossen.

Der Betrieb des Selbsthemmung modus mit den manuellen Tasten am Empfänger:
Drücken Sie die Taste UP am Empfänger: Relais 1 wird aktiviert.
Drücken Sie erneut die Taste UP: Relais 1 wird deaktiviert.
Drücken Sie die Taste DOWN am Empfänger: Relais 2 wird aktiviert.
Drücken Sie erneut die Taste DOWN: Relais 2 wird deaktiviert.

3) Einstellung der Modus Verriegelung: Schalten Sie das erste Bit aus, und das zweite Bit des DIP Schalter ein. Die Signal-LED blinkt 3 Mal und der Summer ertönt 3 Mal.
Der Betrieb des Verriegelung modus mit dem Sender CP-3L:
Drücken Sie die Taste ▲ am Sender: Das Relais 1 wird aktiviert, zwei Klemmen NO1 und COM1 von Relais 1 werden angeschlossen, zwei Klemmen NC1 und COM1 werden getrennt.
Drücken Sie die Taste ■ am Sender: Das Relais 1 wird deaktiviert, zwei Klemmen NO1 und COM1 von Relais 1 werden getrennt, zwei Klemmen NC1 und COM1 werden angeschlossen.
Drücken Sie die Taste ▼ am Sender: Das Relais 2 wird aktiviert, zwei Klemmen NO2 und COM2 von Relais 2 werden angeschlossen, zwei Klemmen NC2 und COM2 werden getrennt.
Drücken Sie die Taste ■ am Sender: Das Relais 2 wird deaktiviert, zwei Klemmen NO2 und COM2 von Relais 2 werden getrennt, zwei Klemmen NC2 und COM2 werden angeschlossen.

Der Betrieb des Verriegelung modus mit den manuellen Tasten am Empfänger:
Drücken Sie die Taste UP am Empfänger: Relais 1 wird aktiviert.
Drücken Sie die Taste STOP am Empfänger: Relais 1 wird deaktiviert.
Drücken Sie die Taste DOWN am Empfänger: Relais 2 wird aktiviert.
Drücken Sie die Taste STOP am Empfänger: Relais 2 wird deaktiviert.

4) Einstellung der Modus Momentan (Kanal 1) + Selbstsichernd (Kanal 2): Schalten Sie das erste Bit und das zweite Bit des DIP Schalter ein. Die Signal-LED blinkt 4 Mal und der Summer ertönt 4 Mal.

Verdrahtete Steuerklemmen:
Der Empfänger hat Verdrahtete Steuerklemmen, sie können externe Geräte (mit normalerweise offenem Kontakt) wie Handschalter an Verdrahtete Steuerklemmen anschließen, und diese dann zum Steuern Geräts verwenden.
Beispielsweise können Sie zwei oder drei Handschalter gemäß dem folgenden Schaltplan an die verdrahteten Steuerklemmen UP, DOWN, STOP und GND anschließen.

1) Steuermodus Momentan: Beispielsweise verbinden Sie 2-Tasten-Handschalter (Modell 0040025).
Wenn Sie die Taste UP drücken und halten, werden zwei Klemmen UP und GND angeschlossen. Dann wird Relais 1 aktiviert. Und wenn Sie die Taste UP loslassen, werden zwei Klemmen UP und GND getrennt. Dann wird Relais 1 deaktiviert.
Wenn Sie die Taste DOWN drücken und halten, werden zwei Klemmen DOWN und GND angeschlossen. Dann wird Relais 2 aktiviert. Und wenn Sie die Taste DOWN loslassen, werden zwei Klemmen DOWN und GND getrennt. Dann wird Relais 2 deaktiviert.

2) Steuermodus Selbstsichernd: Beispielsweise verbinden Sie 2-Tasten-Handschalter (Modell 0040025).
Wenn Sie die Taste UP drücken, werden zwei Klemmen UP und GND angeschlossen. Dann wird Relais 1 aktiviert. Und wenn Sie die Taste UP erneut drücken, werden zwei Klemmen UP und GND getrennt. Dann wird Relais 1 deaktiviert.
Wenn Sie die Taste DOWN drücken, werden zwei Klemmen DOWN und GND angeschlossen. Dann wird Relais 2 aktiviert. Und wenn Sie die Taste DOWN erneut drücken, werden zwei Klemmen DOWN und GND getrennt. Dann wird Relais 2 deaktiviert.

3) Steuermodus Verriegelung: Beispielsweise Verbinden Sie 3-Tasten-Handschalter (Modell 0040024).
Wenn Sie die Taste UP drücken, werden zwei Klemmen UP und GND angeschlossen. Dann wird Relais 1 aktiviert. Und wenn Sie die Taste STOP drücken, werden zwei Klemmen STOP und GND angeschlossen. Dann wird Relais 1 deaktiviert.
Wenn Sie die Taste DOWN drücken, werden zwei Klemmen DOWN und GND angeschlossen. Dann wird Relais 2 aktiviert. Und wenn Sie die Taste STOP drücken, werden zwei Klemmen STOP und GND angeschlossen. Dann wird Relais 2 deaktiviert.

Grenzwert Steuerklemmen:
Der Empfänger verfügt über Grenzwert Steuerklemmen, und Sie können externe Geräte (mit mit normalerweise geschlossenem oder normalerweise offenem Kontakt) wie Sensoren und Endschalter an die Grenzwert Steuerklemmen anschließen und diese dann zum Stoppen des Geräts verwenden.
Der Empfänger verfügt über zwei Pins zum Umschalten zwischen normalerweise offenen und normalerweise geschlossenen Endschaltern.
Beachten: Der Empfänger muss nach dem Umschalten des Endschaltertyps neu gestartet werden.

Wenn Sie beispielsweise zwei Pins mit einer Jumper Brücke kurzschließen, können Sie einen normalerweise geschlossenen Endschalter an zwei Klemmen von Oberer Grenzwert anschließen, und einen weiteren normalerweise geschlossenen Endschalter an zwei Klemmen von Unterer Grenzwert anschließen.
Wenn sich der Motor in positiver Richtung dreht, wenn zwei Klemmen von Oberer Grenzwert getrennt sind, Motor stoppt automatisch.
Wenn sich der Motor in Umkehrrichtung dreht, wenn zwei Klemmen von Unterer Grenzwert getrennt sind, Motor stoppt automatisch.

Wenn Sie beispielsweise keine zwei Pins kurzschließen, können Sie einen normalerweise offenen Endschalter an zwei Klemmen von Oberer Grenzwert anschließen, und einen weiteren normalerweise offenen Endschalter an zwei Klemmen von Unterer Grenzwert anschließen.
Wenn sich der Motor in positiver Richtung dreht, wenn zwei Klemmen von Oberer Grenzwert angeschlossen sind, Motor stoppt automatisch.
Wenn sich der Motor in Umkehrrichtung dreht, wenn zwei Klemmen von Unterer Grenzwert angeschlossen sind, Motor stoppt automatisch.

Beachten:
Wenn die Endschalteranklemmen des Empfängers auf den Normalerweise-Geschlossenen-Typ eingestellt sind, müssen Sie, wenn Sie den Endschalter nicht verwenden, die oberen und unteren Endschalteranklemmen getrennt kurzschließen.

Wenn die Endschalteranklemmen des Empfängers auf den Normalerweise-Geöffneten-Typ eingestellt sind, müssen Sie, wenn Sie den Endschalter nicht verwenden, keinen Kurzschluss an den oberen und unteren Endschalteranklemmen herstellen.

So koppeln Sie den Sender mit dem Empfänger:
Beachten: Wir haben den Sender vor Verlassen des Werks mit dem Empfänger gekoppelt. Wenn Sie weitere Fernbedienungen koppeln möchten, gehen Sie wie folg.
1) Koppeln der Taste ▲ am Sender mit dem Empfänger:
1.1 Drücken Sie einmal die Lerntaste im Empfänger, die Signal LED am Empfänger blinkt einmal und bleibt dann an, dies bedeutet der Empfänger gibt den Lernstatus ein.
1.2 Drücken Sie die Taste ▲ am Sender, wenn der Summer 4 Mal ertönt, dies bedeutet dass die Kopplung der Taste ▲ erfolgreich war.

2) Koppeln der Taste ▼ am Sender mit dem Empfänger:
2.1 Drücken Sie zweimal die Lerntaste im Empfänger, die Signal LED am Empfänger blinkt zweimal und bleibt dann an, dies bedeutet der Empfänger gibt den Lernstatus ein.
2.2 Drücken Sie die Taste ▼ am Sender, wenn der Summer 4 Mal ertönt, dies bedeutet dass die Kopplung der Taste ▼ erfolgreich war.

3) Der Empfänger kann 20 Zwei-Tasten Fernbedienungen mit verschiedenen kodes lernen.

Beachten: Der Empfänger ist nur mit Sendern kompatibel, die Lerncodes verwenden. Wenn der Empfänger innerhalb von 5 Sekunden nach Eintritt in den Lernzustand kein Kopplungssignal empfängt, verlässt der Empfänger den Lernzustand.

So löschen Sie alle Sender codes gespeichert im Empfänger:
Wir haben gekoppelt den Sender mit dem Empfänger, wenn Sie nicht möchten dass der Empfänger mit dem Sender zu arbeiten, Sie können löschen alle Sender codes gespeichert im Empfänger.
Bedienung: Drücken und halten Sie die Lerntaste im Empfänger für 8-9 Sekunden, und der Summer ertönt 8 Mal. Dies zeigt an, dass alle gespeicherten Codes erfolgreich gelöscht wurden.

Lieferumfang:
1 x Empfänger: S2PU-AC380-ANT3
1 x Sender: CP-3L
1 x Bedienungsanleitung
Eine Frage Stellen
* = Pflichtfeld

*
*
asvs
*